○さぬき市大串自然公園野外音楽広場規則
平成14年4月1日
規則第106号
(趣旨)
第1条 この規則は、さぬき市大串自然公園条例(令和6年さぬき市条例第2号。以下「条例」という。)第2条第2項第2号に定める野外音楽広場(以下単に「野外音楽広場」という。)の管理及び運営に関し必要な事項を定めるものとする。
(愛称)
第2条 野外音楽広場の愛称(条例第2条第2項で規定する名称に代えて使用する通称をいう。)は、テアトロンとする。
(休場日)
第3条 野外音楽広場の休場日は、12月28日から翌年1月4日までとする。
2 市長は、前項の規定にかかわらず、臨時に休場日を変更し、又は休場日を設けることができる。
(利用者の遵守事項)
第4条 野外音楽広場を利用する者は、次の事項を守らなければならない。
(1) 他の入場者の迷惑となる行為をしないこと。
(2) 市長の許可なく火気を使用しないこと。
(3) 市長の許可なく物品等の販売又は展示、びら等の配布その他これらに類する行為をしないこと。
(4) 市長の許可なく募金、署名運動その他これに類する行為をしないこと。
(5) 市長の許可なく政治、政党活動その他これに類する行為をしないこと。
(6) 市長の許可なく宗教活動その他これに類する行為をしないこと。
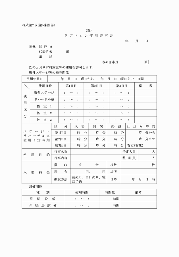
2 前項のテアトロン使用許可申請書は、使用しようとする日(2日以上継続して使用しようとする場合は、その初日)の1年前の日が属する月の初日から当該使用しようとする日の5日前までの期間内に提出しなければならない。ただし、市長が必要と認める場合は、この限りでない。
(使用料の納付)
第7条 有料施設等の使用許可を受けた者(以下「有料施設等使用者」という。)は、市長の定める期日までに使用料を納付しなければならない。
(使用許可の変更)
第8条 有料施設等使用者は、許可を受けた内容と異なる使用をしようとするときは、テアトロン使用許可変更申請書(様式第3号)に許可書を添えて市長に提出し、その許可を受けなければならない。
(使用の取消し)
第9条 有料施設等使用者は、使用の取消しをしようとするときは、テアトロン使用取消承認申請書(様式第4号)に許可書を添えて市長に提出し、その承認を受けなければならない。
(使用の条件)
第10条 条例第7条第2項の規定により使用の許可に付する条件には、次に掲げる事項を含むものとする。
(1) 関係法令、規則等に従うこと。
(2) 使用の権利を他人に譲渡し、又は転貸しないこと。
(3) 有料施設等の使用に当たっては、係員の指示に従うこと。
(4) 有料施設等の使用に際し、特別の操作又は変更を加えないこと。
(5) 使用を終了したとき、又は使用の許可を取り消され、若しくは使用の停止を命じられたときは、有料施設等を原状に回復すること。
(6) 定員を超えて入場させないこと。
(7) 危険な状況を引き起こすおそれがある行為をしないこと。
(8) 物品を販売し、又は飲食物を提供する場合は、あらかじめ市長の許可を受けること。
(9) 広告類を掲示し、又は配布する場合は、あらかじめ市長の許可を受けること。
(10) 飲食、喫煙等は、指定の場所で行うこと。
(損壊の届出等)
第11条 野外音楽広場の施設等を損壊し、又は滅失した者は、速やかに市長に届け出て、その指示に従わなければならない。
(その他)
第13条 この規則に定めるもののほか必要な事項は、市長が別に定める。
附則
(施行期日)
1 この規則は、平成14年4月1日から施行する。
(経過措置)
2 この規則の施行の日の前日までに、合併前の志度町野外音楽広場の管理運営に関する規則(平成3年志度町規則第16号)の規定によりなされた処分、手続その他の行為は、この規則の相当規定によりなされたものとみなす。
附則(平成31年規則第17号)
この規則は、公布の日から施行する。
附則(令和3年規則第11号)
(施行期日)
1 この規則は、令和3年4月1日から施行する。
(経過措置)
2 この規則の施行の際、この規則による改正前のそれぞれの規則で定める様式による用紙で、現に残存するものは、所要の修正を加え、なお使用することができる。
附則(令和4年規則第55号)
(施行期日)
1 この規則は、令和5年4月1日から施行する。
(経過措置)
2 この規則の施行の際、第1条の規定による改正前のさぬき市野外音楽広場条例施行規則様式第1号から様式第4号までによる用紙で、現に残存するものは、所要の修正を加え、なお使用することができる。
附則(令和6年規則第4号)
(施行期日)
1 この規則は、令和6年4月1日から施行する。
(経過措置)
2 この規則の施行の際、この規則による改正前の様式第1号、様式第3号及び様式第4号による用紙で、現に残存するものは、当分の間、所要の修正を加え、なお使用することができる。
別表(第6条関係)
区分 | 使用料 | |
照明設備 | 市内 | 1日につき 4,700円 |
市外 | 1日につき 5,200円 | |
冷暖房設備(1台当たり) | 1時間につき 200円 | |
備考
1 「市内」とは、有料施設使用者の住所(法人の場合は、その所在地。以下同じ。)がさぬき市内である場合を、「市外」とは、有料施設使用者の住所がさぬき市外である場合をいう。
2 準備のために使用する場合は、この表に掲げる額に100分の50を乗じて得た額(その額に100円未満の端数があるときは、これを切り捨てた額。次項及び第4項において同じ。)とする。
3 使用を許可した時間を超過して使用した場合は、当該超過した1時間(1時間未満の端数が生じる場合は、その端数時間は、1時間とみなす。)につき、照明設備にあっては同一の区分における使用料の100分の20に相当する額を、冷暖房設備にあっては200円を加えた額とする。
4 有料施設使用者の住所が市内である場合の冷暖房設備の使用料は、この表に掲げる額に使用した照明設備の台数及び使用した時間(前項の超過した1時間を含む。)を乗じて得た額に100分の90を乗じて得た額とする。




